Coaxial Circulator Product Range
Having specialised in providing bespoke solutions for our customers we have managed to accumulate many circulator and isolator designs over the years for a number of different market sectors.
We have chosen a selection of these due to their popularity for our standard product range and can be supplied with additional options if required. Many customers have found it beneficial to have one or more of the following options:
- integrated power monitors
- phase matching
- integrated heat-sink
The tables below show a selection of our standard product range but if you can't see a circulator design that meets your requirements then please contact our sales office who will be pleased to advise you on any possible solutions we can offer.
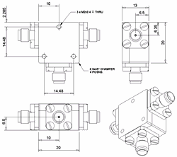
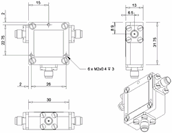
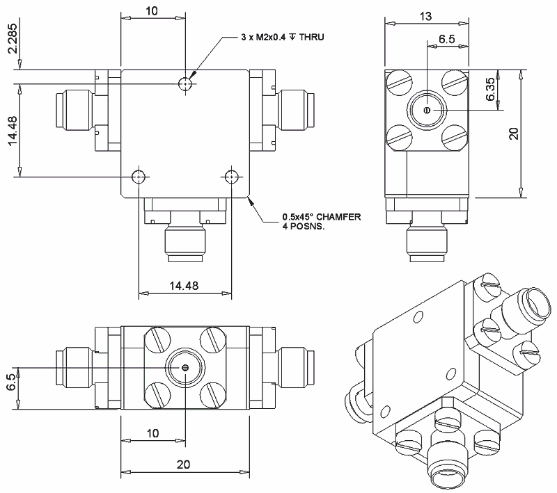
| Standard Package Sizes |
| Imperial (") |
|
Metric (mm) |
| Length |
Width |
Height |
|
|
|
Length |
Width |
Height |
| 1.75 | 1.75 | 0.512 | | | | 44.45 | 44.45 | 13.0 |
| 1.35 | 1.35 | 0.512 | | | | 34.30 | 34.30 | 13.0 |
| 1.18 | 1.25 | 0.512 | | | | 30.00 | 31.75 | 13.0 |
| 1.00 | 1.00 | 0.512 | | | | 25.40 | 25.40 | 13.0 |
| 0.787 | 0.787 | 0.512 | | | | 20.00 | 20.00 | 13.0 |
Coaxial Circulator Specification Tables
| 44.45mm Square Coaxial Circulator |
| Device code |
Frequency |
Insertion Loss |
Isolation |
Return Loss |
Power |
Temperature |
| min |
max |
typ |
max |
min |
typ |
min |
typ |
max |
min |
max |
| CC-340-010 | 330 | 350 | 0.40 | 0.50 | 20 | 23 | 20 | 23 | 250 | -10 | 85 |
| CC-360-011 | 350 | 370 | 0.40 | 0.50 | 20 | 23 | 20 | 23 | 250 | -10 | 85 |
| CC-410-012 | 390 | 430 | 0.35 | 0.40 | 20 | 23 | 20 | 23 | 250 | -10 | 85 |
| CC-410-013 | 400 | 420 | 0.30 | 0.40 | 20 | 23 | 20 | 23 | 250 | -10 | 85 |
| CC-435-014 | 400 | 470 | 0.4 | 0.50 | 20 | 23 | 20 | 23 | 250 | -10 | 85 |
| CC-425-015 | 415 | 435 | 0.30 | 0.40 | 20 | 23 | 20 | 23 | 250 | -10 | 85 |
| CC-460-016 | 450 | 470 | 0.30 | 0.35 | 20 | 23 | 20 | 23 | 250 | -10 | 85 |
| CC-465-017 | 460 | 470 | 0.25 | 0.30 | 23 | 25 | 23 | 25 | 250 | -10 | 85 |
| CC-470-018 | 460 | 480 | 0.30 | 0.35 | 20 | 23 | 20 | 23 | 250 | -10 | 85 |
| CC-490-019 | 480 | 500 | 0.30 | 0.35 | 20 | 23 | 20 | 23 | 250 | -10 | 85 |
| CC-495-020 | 490 | 500 | 0.30 | 0.35 | 23 | 25 | 23 | 25 | 250 | -10 | 85 |
| CC-510-021 | 500 | 520 | 0.30 | 0.35 | 20 | 23 | 20 | 23 | 250 | -10 | 85 |
| CC-515-022 | 470 | 560 | 0.40 | 0.50 | 20 | 21 | 20 | 21 | 250 | -10 | 85 |
| 30x31.75mm Square Coaxial Circulator |
| Device code |
Frequency |
Insertion Loss |
Isolation |
Return Loss |
Power |
Temperature |
| min |
max |
typ |
max |
min |
typ |
min |
typ |
max |
min |
max |
| CC-750-384 | 700 | 800 | 0.50 | 0.40 | 20 | 23 | 20 | 23 | 250 | -10 | 85 |
| CC-800-385 | 750 | 850 | 0.40 | 0.50 | 20 | 23 | 20 | 23 | 250 | -10 | 85 |
| CC-850-386 | 800 | 900 | 0.20 | 0.25 | 23 | 26 | 23 | 26 | 250 | -10 | 85 |
| CC-900-387 | 800 | 1000 | 0.40 | 0.50 | 20 | 23 | 20 | 23 | 250 | -10 | 85 |
| CC-905-388 | 850 | 960 | 0.35 | 0.40 | 20 | 23 | 20 | 23 | 250 | -10 | 85 |
| CC-1088-389** | 960 | 1215 | 0.35 | 0.45 | 20 | 23 | 20 | 23 | 250 | -10 | 85 |
| CC-1150-390 | 1000 | 1300 | 0.35 | 0.40 | 20 | 23 | 20 | 23 | 250 | -10 | 85 |
| CC-1300-391 | 1150 | 1450 | 0.35 | 0.40 | 20 | 23 | 20 | 23 | 250 | -10 | 85 |
| CC-1350-392 | 1200 | 1500 | 0.35 | 0.40 | 20 | 23 | 20 | 23 | 250 | -10 | 85 |
| CC-1500-393 | 1300 | 1700 | 0.35 | 0.40 | 20 | 23 | 20 | 23 | 250 | -10 | 85 |
| CC-1600-394 | 1400 | 1800 | 0.35 | 0.40 | 20 | 23 | 20 | 23 | 250 | -10 | 85 |
| CC-1800-395 | 1600 | 2000 | 0.40 | 0.50 | 20 | 23 | 20 | 23 | 250 | -10 | 85 |
| 25.4mm Square Coaxial Circulator |
| Device code |
Frequency |
Insertion Loss |
Isolation |
Return Loss |
Power |
Temperature |
| min | max | typ | max | min | typ | min | typ | max | min | max |
| CC-837-051 | 824 | 849 | 0.25 | 0.30 | 23 | 26 | 23 | 26 | 250 | -10 | 85 |
| CC-882-052 | 869 | 894 | 0.20 | 0.25 | 23 | 26 | 23 | 26 | 250 | -10 | 85 |
| CC-898-053 | 890 | 915 | 0.20 | 0.25 | 23 | 26 | 23 | 26 | 250 | -10 | 85 |
| CC-943-054 | 925 | 960 | 0.20 | 0.25 | 23 | 26 | 23 | 26 | 250 | -10 | 85 |
| CC-910-055 | 860 | 960 | 0.30 | 0.35 | 20 | 23 | 20 | 23 | 250 | -10 | 85 |
| CC-1050-056 | 1000 | 1100 | 0.20 | 0.25 | 23 | 26 | 23 | 26 | 250 | -10 | 85 |
| CC-1150-057 | 1100 | 1200 | 0.20 | 0.25 | 23 | 26 | 23 | 26 | 250 | -10 | 85 |
| CC-1100-058 | 1000 | 1200 | 0.35 | 0.40 | 21 | 24 | 21 | 24 | 250 | -10 | 85 |
| CC-1300-059 | 1200 | 1400 | 0.30 | 0.50 | 21 | 24 | 21 | 24 | 250 | -10 | 85 |
| CC-1450-060 | 1300 | 1600 | 0.30 | 0.50 | 21 | 24 | 21 | 24 | 250 | -10 | 85 |
| CC-1550-061 | 1400 | 1700 | 0.30 | 0.50 | 21 | 24 | 21 | 24 | 250 | -10 | 85 |
| CC-1850-062 | 1700 | 2000 | 0.30 | 0.50 | 21 | 24 | 21 | 24 | 250 | -10 | 85 |
| CC-1748-063 | 1710 | 1785 | 0.20 | 0.25 | 23 | 26 | 23 | 26 | 250 | -10 | 85 |
| CC-1843-064 | 1805 | 1880 | 0.20 | 0.25 | 23 | 26 | 23 | 26 | 250 | -10 | 85 |
| CC-1960-065 | 1930 | 1990 | 0.20 | 0.25 | 23 | 26 | 23 | 26 | 250 | -10 | 85 |
| CC-2135-066 | 2070 | 2200 | 0.20 | 0.25 | 23 | 26 | 23 | 26 | 250 | -10 | 85 |
| 20mm Square Coaxial Circulator |
| Device code |
Frequency |
Insertion Loss |
Isolation |
Return Loss |
Power |
Temperature |
| min |
max |
typ |
max |
min |
typ |
min |
typ |
max |
min |
max |
| CC-1650-396 | 1600 | 1700 | 0.30 | 0.35 | 20 | 23 | 20 | 23 | 250 | -10 | 85 |
| CC-1748-397 | 1710 | 1780 | 0.25 | 0.30 | 20 | 23 | 20 | 23 | 250 | -10 | 85 |
| CC-1843-398 | 1805 | 1880 | 0.20 | 0.35 | 20 | 23 | 20 | 23 | 250 | -10 | 85 |
| CC-1960-399 | 1930 | 1990 | 0.20 | 0.30 | 20 | 23 | 20 | 23 | 250 | -10 | 85 |
| CC-2100-400 | 2000 | 2200 | 0.25 | 0.30 | 20 | 23 | 20 | 23 | 250 | -10 | 85 |
| CC-2350-401 | 2200 | 2500 | 0.20 | 0.30 | 20 | 23 | 20 | 23 | 250 | -10 | 85 |
| CC-2550-402 | 2400 | 2700 | 0.20 | 0.30 | 20 | 23 | 20 | 23 | 250 | -10 | 85 |
| CC-2700-403 | 2500 | 2900 | 0.20 | 0.30 | 20 | 23 | 20 | 23 | 250 | -10 | 85 |
- * Obsolete product. Please see replacement product range here.
- ** Need a slightly wider bandwidth. Contact our sales department and ask us about our extended TACAN band.